Van tay thủy lực điều khiển bằng tay là một thiết bị quan trọng trong các hệ thống thủy lực. Với chức năng chính điều khiển áp suất và dòng chảy của chất lỏng thủy lực, dòng van này giúp các thiết bị và máy móc hoạt động hiệu quả và chính xác hơn. Vậy trong bài viết này chúng ta cùng tìm hiểu về cấu tạo, nguyên lý hoạt động cũng như ưu, nhược điểm của dòng van này nhé!

Van tay thủy lực điều khiển bằng tay là gì?
Van tay thủy lực điều khiển bằng tay là sản phẩm có thể điều khiển bằng tay thông qua việc áp dụng lực cơ học lên tay cầm hoặc tay quay để tạo ra lực đẩy và lực nén, điều khiển dòng thủy lực bằng tay.
Sản phẩm được chia ra làm nhiều dạng: van 2 tay gạt, 3 tay gạt và nhiều tay gạt hơn nữa. Có nhiều tay gạt đồng nghĩa với việc sẽ chia chất lỏng thủy lực trên hệ thống thủy lực phức tạp hơn.
Van điều khiển bằng thủy lực tay được dùng trong nhiều lĩnh vực khác nhau, nhưng chúng thường được sử dụng phổ biến cho các hệ thống thủy lực trong nhà xưởng, xe tải, xe cuốn rác,… và nhiều ứng dụng khác.
Ngoài ra chúng còn được kết hợp với các thiết bị như xy lanh thủy lực, thùng chứa dầu và các phụ kiện khác
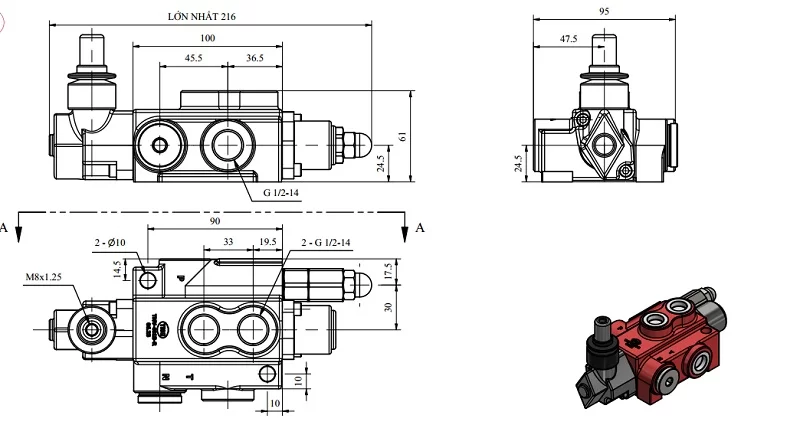
Cấu tạo van tay thủy lực điều khiển bằng tay
Van gạt tay thủy lực có điều khiển có cấu tạo đơn giản gồm các bộ phận như: thân van, bộ phận chỉnh áp và tay gạt van thủy lực. Trong đó:
Thân van thủy lực:
- Có điều khiển được thiết kế từ các nguyên liệu bền bỉ, có khả năng chịu nhiệt, chịu áp suất tốt như gang, inox, nhôm.
- Các đường cấp dầu được bố trí đơn giản đường dầu vào là đường cung cấp trực tiếp dầu vào qua bơm thủy lực ký hiệu là P. Đường dầu ra được kết nối với xi lanh thủy lực ký hiệu A, B.
- Cuối cùng là đường dầu hồi trả ngược về thùng dầu ký hiệu T, các đường dầu được lắp đặt trên thân van để thuận tiện cho việc lắp đặt.
Bộ phận chỉnh áp:
- Vai trò của chúng được dùng để điều chỉnh áp lực làm việc của các lưu chất, nút chỉnh áp suất có 2 chiều, chiều tăng thuận chiều kim đồng hồ.
Tay gạt:
- Thường được lắp trên van tay thủy lực gồm nhiều loại như loại 1 tay, 2 tay, 3 tay,… chúng thường được lắp đặt theo phương đứng và phương ngang.
- Tay trang thủy lực được làm từ vật liệu tốt, bền bỉ, như thép không gỉ, inox, giúp bảo vệ người dùng cách điện cách nhiệt và dễ dàng cầm nắm.
- Nguyên ký hoạt động của tay gạt khi tay gạt ở vị trí chính giữa ban đầu van không hoạt động, dầu bơm vào hồi về thùng dầu và đi ra đường T. Khi gạt tay gạt, bơm dầu vào van ra đường A hoặc B theo hướng tay gạt. Vặn ốc lỏng hoặc siết chặt để dễ dàng trong việc điều chỉnh tay gạt.

Thông số van tay thủy lực điều khiển bằng tay
- Tên sản phẩm: Van thủy lực điều khiển bằng tay
- Chất liệu: Thép, inox, gang, nhựa,…
- Áp lực chịu: 100bar - 500bar
- Lưu lượng: 65 l/phút - 180 l/phút
- Số lượng tay cầm: 1 tay, 2 tay, 3 tay, 4 tay, 5 tay, 6 tay, 7 tay
- Kiểu kết nối: Nối ren - hàn
- Môi trường sử dụng: Dầu, nhớt, chất lỏng thủy lực, lưu chất
- Thương hiệu: D&S và một số đơn vị khác
- Kiểu sản phẩm: Điều khiển bằng tay
- Nhiệt độ làm việc: -20 - 180 độ C
Nguyên lý hoạt động van tay thủy lực điều khiển bằng tay
Van tay gạt thủy lực bằng tay có nguyên lý hoạt động rất đơn giản là dựa trên cơ chế đóng mở bằng tay, dùng tay gạt.
Khi tay gạt được đẩy về phía trước hoặc sang 2 bên hướng cài đặt của dòng chảy lưu chất. Khi đó lực nén sẽ được sinh ra, thanh gạt của van sẽ di chuyển lên và mở các lỗ trên thân van. Dầu từ bơm sẽ đi vào đường A, B theo hướng tay gạt và được đẩy vào các thiết bị thủy lực và được đẩy vào các đường ống, hệ thống cấp dẫn dầu.
Dầu đi qua van tay thủy lực được điều chỉnh bởi bộ chỉnh áp, khi vượt qua mức áp cài đặt, cửa T sẽ mở và dầu chảy thùng chứa.
Khi gạt van tay gạt thủy lực về vị trí ban đầu, dầu sẽ được trả trở lại thùng van đóng.

Ưu nhược điểm van tay thủy lực điều khiển bằng tay
Van thủy lực điều khiển bằng tay có những ưu điểm nổi bật như sau:
- Đa dạng kiểu loại, phù hợp với nhiều hệ thống, thiết bị công nghiệp, thiết bị thủy lực, hệ thống thủy lực,…
- Van tay thủy lực điều khiển bằng tay đa dạng về chất liệu, được làm từ những vật liệu chất lượng cao và có độ bền bỉ như inox, gang, thép, hợp kim, sử dụng tốt cho nhiều môi trường lưu chất nước, khí hơi, dung dịch, hóa chất,…
- Ngoài ra còn giúp chia dầu, chia nhớt nhanh với độ chính xác cao.
- Cho phép người sử dụng điều chỉnh lực đẩy và nén một cách chính xác đảm bảo hiệu suất tối ưu.
- Đa dạng về kích cỡ lắp đặt tốt cho nhiều hệ thống, thiết kế với các tính năng an toàn như van an toàn, và hệ thống bảo vệ đảm bảo an toàn cho người sử dụng.
Tuy vậy van thủy lực điều khiển còn tồn tại một số nhược điểm như:
- Không sử dụng được với các lưu chất có nhiệt độ quá cao
- Van thủy lực điều khiển khó làm việc ổn định được trong môi trường bụi bẩn, khắc nghiệt, các lưu chất cặn bẩn chứa nhiều tạp chất.
- Còn hạn chế về khả năng điều tiết dòng chảy, nên van sẽ không phù hợp với hệ thống đòi hỏi điều tiết lưu lượng lớn

Ứng dụng van điều khiển bằng tay thủy lực
Van tay thủy điều khiển bằng tay là bộ phận quan trọng trong hệ thống thủy lực. Ứng dụng của thiết bị này rất đa dạng và phong phú có thể kể đến như:
- Sử dụng trong hệ thống điều hòa không khí để kiểm soát lưu lượng chất lỏng và áp suất
- Sử dụng trong hệ thống dầu khí, khai thác khoáng sản, hệ thống thủy điện, nhiệt điện, trong hệ thống sản xuất, lắp đặt các loại xe.
- Sử dụng trong hệ thống điều khiển như hệ thống điều khiển công nghiệp, trong các tòa nhà, hệ thống sản xuất.
- Được ứng dụng trong các loại máy ép, sản xuất gia công, phụ kiện thép, inox.
- Trong hệ thống truyền động như trong các máy móc công nghiệp, hệ thống xe cẩu, xe kéo, khai thác gỗ.

Báo giá van thủy lực điều khiển bằng tay tại thủy lực khí nén D&S
Giá cả của van thủy lực điều khiển bằng tay phụ thuộc vào rất nhiều yếu tố như kích thước, kiểu dáng, chất liệu xuất xứ. Vì vậy mà giá van tay thủy lực điều khiển bằng tay phụ thuộc vào những yếu tố trên.
Van thủy lực điều khiển bằng tay của Thủy lực khí nén D&S phân phối khắp các thị trường trên Việt Nam với chất lượng cực kỳ tốt và giá cả phù hợp. Để nhận báo giá chính xác nhất hãy liên hệ ngay với chúng tôi để được tư vấn và báo giá chi tiết nhé!
STTTên sản phẩmGiá 1 Van Thủy Lực Điều Khiển 1 Tay Gạt 600.000đ 2 Van Thủy Lực Điều Khiển 2 Tay Gạt 990.000đ 3 Van Thủy Lực Điều Khiển 3 Tay Gạt 1.410.000đ 4 Van Thủy Lực Điều Khiển 4 Tay Gạt 1.760.000đ 5 Van Thủy Lực Điều Khiển 5 Tay Gạt 1.930.000đ 6 Van Thủy Lực Điều Khiển 6 Tay Gạt 2.380.000đThủy lực khí nén D&S - Địa chỉ cung cấp van tay thủy lực điều khiển bằng tay uy tín
Thủy lực khí nén D&S là đơn vị cung cấp các thiết bị thủy lực lớn với 10 năm kinh nghiệm, chắc chắn rằng đây sẽ là địa chỉ mua van đảm bảo và chất lượng mà bạn nên lựa chọn.
Chúng tôi cung cấp đến bạn nhiều thông tin, kiến thức về các sản phẩm như van tiết lưu, bộ nguồn thủy lực, bơm thủy lực, van tay thủy lực điều khiển bằng tay, van ngăn kéo thủy lực, thiết bị thủy lực, thiết bị khí nén,… đây là những kiến thức được tạo để trợ giúp mọi người, giúp mọi người nắm được những thông tin hữu ích về sản phẩm.

Lý do bạn nên chọn chúng tôi bởi:
- Cung cấp các sản phẩm thủy lực, van thủy lực điều khiển đáp ứng gần như cho mọi nhu cầu của khách hàng, mọi ứng dụng.
- Cung cấp nhanh nhất các sản phẩm chất lượng cao với giá cả cạnh tranh.
- Cam kết giao hàng nhanh chóng.
Đến với thủy lực khí nén D&S chắc chắn bạn sẽ hài lòng. Vì chúng tôi luôn tận tâm với mỗi dự án và cam kết mang đến các sản phẩm, dịch vụ, giải pháp tốt nhất cho khách hàng.
Trên đây là toàn bộ thông tin về thiết bị van tay thủy lực điều khiển bằng tay. Hy vọng rằng với những chia sẻ trên giúp bạn lựa chọn được sản phẩm hợp lý và phù hợp với mục đích sử dụng của mình.
Liên hệ ngay với chúng tôi để được tư vấn miễn phí và báo giá nhé
Thông tin liên hệ
Công ty TNHH Kỹ thuật D&S Việt Nam
Địa chỉ: Số 4 ngõ 283 Phố Yên Duyên - Phường Yên Sở - Quận Hoàng Mai - TP Hà Nội
Trụ sở công ty: Thôn Lâm Hộ, Xã Thanh Lâm, Huyện Mê Linh, Thành phố Hà Nội, Việt Nam
Hotline: 0979 436 075
Email: thuykhidiends@gmail.com
Facebook: https://www.facebook.com/thuykhi331
Website: https://thuyluckhinends.com/
Google maps: https://www.google.com/maps?cid=10070552695607023047
Xem thêm bài sản phẩm:
- Van thủy lực điều khiển điện
- Van thủy lực 1 chiều có điều khiển
